
HYDRAULIC UNIT
유압시스템 제작·회로설계 전문
대형유니트 파워팩/1000LT
유압유니트
안녕하세요 일도유압이엔지 입니다.
저희 시화 일도유압에서 제작하는 유압유니트(HYDRAULIC UNIT) 사양을 정리하여 소개합니다.
유압유니트는 유압펌프 전기모터 외 SPEC 사양으로 제작하여 유압시스템
기본 구성으로 동력 전달원으로 사용하는 일체형 제품입니다.
▶제품 특징
· 대형 유압유니트로 피스톤 펌프를 사용하여 300K까지 압력 사용 가능
· 유압 유니트 사이즈가 콤팩트하고 심플한 구조임
· 유압회로는 사용자 요구에 맞게 구성이 가능함
▶제품 사양
Pump:
AH45-F-R-08-K-S-10
AH71-F-R-07-K-S-10
AH100-F-R-08-K-S-10
용 량:
AH45 - 45cc/rev
AH71- 71cc/rev
AH100 - 100.3cc/rev
회전 방향: R: 시계방향(표준)
제어 방식 : 08 제어 / 로드 센싱 유량제어
압력 보상 제어 형
압력 조정 범위: 71.4~315kgf/㎠
포트 위치: S 사이드 포트
※ Made in Korea 국산 생산 제품입니다.
모터+펌프 수평 타입 / 벨하우징 커플링 부착형
Horizental Type UNIT
유압시스템 전문 제작
※ 기타 설계 사양은 문의하시면 제작 가능합니다.
본 시스템 건은 방산용으로 제작되었습니다.
설치 목적, 사용 특성에 따라 사양이 달라질 수 있으니
아래 내용을 참고하시고 전화문의하시기 바랍니다.
문의전화: 일도유압이엔지 / 0507-1375-0704
E-mail: ildohyd@naver.com
아래 카탈로그는 다운로드 가능합니다.

유압유니트 제작 / HYDRAULIC UNIT / 유압시스템 제작 / 유압회로설계
본 출고 건은 2023년 12월 출고 건으로 기본 스펙 내용 정리 드립니다.
유니트 용량은 1000LT 사이즈로 설계되었으며,
방산시스템 적용 건입니다.
실린더 8개 구동하는 모델로,
G03 밸브를 별도로 부착하는 시스템입니다.

유압유니트 제작 / HYDRAULIC UNIT / 유압시스템 제작 / 유압회로설계
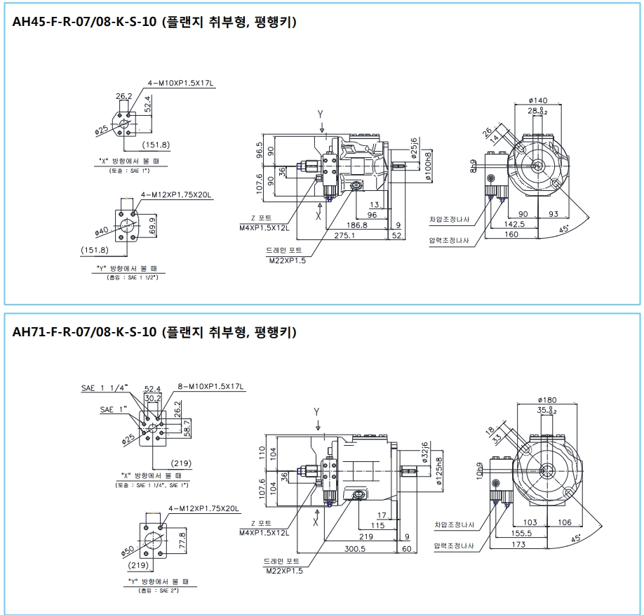
펌프 사양은 세원셀론텍 (국산) 펌프를 적용하였습니다.
펌프 세부 스펙은 아래 내용 참고 바랍니다.
AH45-F-R-08-K-S-10
AH71-F-R-07-K-S-10
AH100-F-R-08-K-S-10
용 량:
AH45 - 45cc/rev
AH71- 71cc/rev
AH100 - 100.3cc/rev
회전방향: R: 시계방향(표준)
제어방식 : 08 제어 / 로드 센싱 유량제어
압력보상제어형

유압유니트 제작 / HYDRAULIC UNIT / 유압시스템 제작 / 유압회로설계
모터 사양은 국산 모터 적용(HIGEN)
20HP*4P*2/3V*60hz 프리미엄 효율
25HP*4P*2/3V*60hz 프리미엄 효율
30HP*4P*2/3V*60hz 프리미엄 효율

유압유니트 제작 / HYDRAULIC UNIT / 유압시스템 제작 / 유압회로설계
유니트는 청소창을 기본으로 하였으며,
LEVEL GAUGE + RETURN LINE FILTER + AIR BREATHER 로
구성되어 있습니다.

유압유니트 제작 / HYDRAULIC UNIT / 유압시스템 제작 / 유압회로설계
유니트 탱크 제작 중 찍어 놓은 사진이며,
사이즈별 제작 가능합니다.
유압시스템 제작 및 유압회로설계 상담 가능합니다.
제작 기간은 사이즈별 상이하고, 보통 7~20일 이내 제작 가능합니다.




시화유공압, 시흥유공압, 경기도유공압, 서울유공압, 구로유공압, 영등포유공압
시화유압, 시흥유압, 경기도유압, 서울유압, 구로유압, 영등포유압
유압엔지니어링, 유압시스템, 유압상담
유압 브랜드 대리점
NOP, TOP, 동산기공, 아륭펌프, 렉스로스, REXROTH, 유켄, YUKEN, 하이드로링크, HYDROLYNC, 세원셀론텍, 세원이앤씨, 하이닥, HYDAC, 플로우포스, FLOWFORCE, 이튼비커스, EATON, 댄포스, DANFOSS, 다이세이, TAISEI, 엠플러스에스, M+S, 하이드로텍, HYDROTEK, 득인기공, BESKO, 다이킨, DAIKIN, 도키맥, TOKIMEC, 케이시시정공, KCC, 파커, PARKER, 대성나찌, 나찌, NACHI, 훌루테크, 가와사키, 하베, HAWE
SEWON PISTON PUMP / 세원 피스톤 펌프 / 세원 가변 피스톤펌프 / 유압펌프 / REXROTH 펌프 대체사양 / REXROTH A10VSO 대체용
AH28-F-R-07-K-S-10
AH45-F-R-07-K-S-10
AH71-F-R-07-K-S-10
AH100-F-R-07-K-S-10
AH145-F-R-07-K-S-10
세원 피스톤펌프 / 로드센싱 기능 타입
AH28-F-R-07-K-S-10
AH45-F-R-07-K-S-10
AH71-F-R-07-K-S-10
AH100-F-R-07-K-S-10
AH145-F-R-07-K-S-10
