

하이드로텍 대리점
HYDRO-TEK
산업용 프레스 POWER PACK
안녕하세요 일도유압이엔지 입니다.
저희 시화 하이드로텍 HYDRO-TEK 대리점에서 취급하는
유압파워팩 프레스용 파워팩을 소개합니다.
유압 파워팩은 소형 유니트로 경량 저소음 제품입니다.
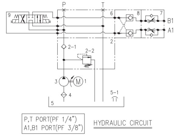
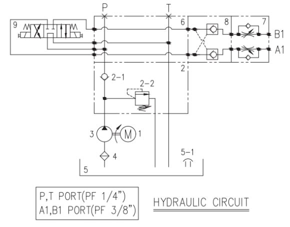
유압 회로는 센터 블럭에 릴리프&체크 밸브가 내장된 타입입니다.
압력 세팅 값 이상의 과부하를 방지핟록 설계 되었습니다.
▶ BEST Selling POWER PACK
· 차량용 윙바디 / WING Body
· 차량리프트(유럽식) / Tail Body
· 실린더팩 / Cylinder Pack(실린더&모터&펌프 일체형)
· 도크 레벨러 / Dock Leveler
▶ 제품 사양
· 모델명: 산업용 프레스용 파워팩
· 펌프사양: 8cc/rev
· 모터사양: 2.2kw*4P*220/380V
· Tank: 9LT(수직형)
· 세부사양: Sol valve 1개 + 게이지밸브 + 압력계(250K)
· 동작방법: 실린더 1개를 주 동작으로하며,
양방향 밸브를 사용하여 실린더를 전진 / 후진 동작하며
밸브 중립 시에는 All Block 회로를 사용하여 멈춤 / 압력유지기능
유압시스템 회로 설계 전문 / 유압 펌프 외 부품 공급
유압 파워팩은 설치 목적, 사용 특성에 따라
사양 설계가 필요한 모델입니다.
아래 내용을 참고하시고 전화문의하시기 바랍니다.
문 의: 일도유압이엔지 / 0507-1375-0704
E-mail: ildohyd@naver.com
아래 기술자료 카탈로그는 다운로드 가능합니다.

하이드로텍 파워팩 / 차량용 파워팩 / 프레스용 파워팩 / 소형유니트 / POWER PACK
금주에 출고 된 모델은 프레스용 전용 파워팩 입니다.
실린더 1개를 동작하며,
양방향 밸브를 사용하여 전진 / 후진을 하는 시스템입니다.
All Block 회로를 사용하여 별도의 파일럿 체크밸브를 미적용하였습니다.

하이드로텍 파워팩 / 차량용 파워팩 / 프레스용 파워팩 / 소형유니트 / POWER PACK
실린더 사양: 63파이*300ST(복동형)
실린더 속도: 300ST/5sec 기준
힘: 약 2Ton 기준(압력: 80k)
위 사양으로 선정 드린 모델입니다.

하이드로텍 파워팩 / 차량용 파워팩 / 프레스용 파워팩 / 소형유니트 / POWER PACK
장비의 특성을 고려하여 컴팩트하게 설계 하였습니다.
수직 타입으로 사용하고 브라켓으로 고정하는 방식입니다.
실린더 상승/하강을 복동 방식으로 동작하는 타입입니다.

하이드로텍 파워팩 / 차량용 파워팩 / 프레스용 파워팩 / 소형유니트 / POWER PACK
파워팩 사양을 간략하게 아래와 같이 정리합니다.
· 모델명: 산업용 프레스용 파워팩
· 펌프사양: 8cc/rev
· 모터사양: 2.2kw*4P*220/380V
· Tank: 9LT(수직형)
· 세부사양: Sol valve 1개 + 게이지밸브 + 압력계(250K)


하이드로텍 파워팩 / 차량용 파워팩 / 프레스용 파워팩 / 소형유니트 / POWER PACK
※ VERTICAL / HORIZENTAL
수직 / 수평 타입 설계 가능(브라켓 제공)
밸브는 1단으로 구성하였으며, 압력조절기능은 추가 되었습니다.
방향 전환 밸브(Solenoid valve) 전압 - AC220V
파워팩 시스템 설계 사양
발주 진행 시 납기 3일 이내 출고 가능합니다.






유압 브랜드 대리점
하이드로텍, HYDROTEK, 댄포스, DANFOSS, 엠플러스에스, M+S, NOP, TOP, 동산기공, 나찌, 대성나찌, NACHI, YUKEN, 유켄, 플로우포스, FLOWFORCE, 세원셀론텍, 세원이앤씨, 하이닥, HYDAC, 이튼비커스, EATON, 윤택이엔지, 득인기공, BESKO, 다이킨, DAIKIN, 데니슨, DENISON, HAWE, 하베, ROSE, 도키맥, TOKIMEC, 파커, PARKER, 렉스로스, REXROTH, 하이드로링크, HYDROLYNC, 코팩, 알파팩
하이드로텍 파워팩 / HYDROTEK 파워팩 / HYDROTEK POWER PACK
하이드로텍 대리점 / 파워팩 대리점 / 코팩 파워팩, 알파팩 대리점
WING BODY
윙바디
DOCK LEVELER
도크레벨러
TAIL LIFT
테일리프트
2 POST CAR LIFT
카리프트
4 POST CAR LIFT
CYLINDER PACK
실린더팩
SISSOR LIFT
시저리프트
CAN PRESS
캔프레스
SOLAR PANEL
WHEEL CHAIR LIFT
AFRICULTURE
STACKER
TIRE CHANGERS
JAW COUPLING
