

하이드로텍 대리점
HYDRO-TEK
유압 장비용 POWER PACK
안녕하세요 일도유압이엔지 입니다.
저희 시화 하이드로텍 HYDRO-TEK 대리점에 취급하는
유압 파워팩 Typical Type 산업용 파워팩을 소개합니다.
유압 파워팩은 소형 유니트로 경량 저소음 제품입니다.
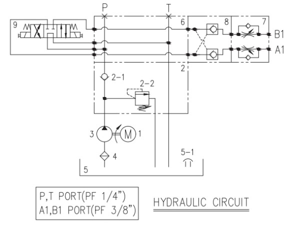
유압 회로는 센터 블럭에 릴리프&체크 밸브가 부착된 타입입니다.
압력 세팅 값 이상의 과부하를 방지하도록 설계되었습니다.
▶ Best Selling Power Pack
· 차량용 윙바디 / Wing Body
· 차량이프트(유럽식) / Tail Body
· 실린더팩 / CYLINDER PACK(실린더&모터&펌프 일체형)
· 도크 레벨러 / DOCK LEVELER
▶ 제품 사양
· 모델명: 산업용 파워팩
· 펌프사양: 2.1cc/rev (Gear pump)
· 모터사양: 1HP*4P*220/380V(3상)
· Tank: 4LT(수직 타입)
세부사양: Cartridge Relief valve(압력 조절용)
Check valve(역류 방지용)
밸브사양: 방향전환밸브 + 압력유지밸브 + 속도조절밸브
(Moduler Type)
※ 시스템 설계 SPEC
실린더사양: 80Ø x 100ST
실린더속도: 100ST/5sec
하중: 500kg(Max 2Ton)
※ VERTICAL / HORIZENTAL TYPE
수직 / 수평 타입 설계 가능(브라켓 제공)
유압 시스템 회로 설계 전문 / 유압 펌프 외 부품 공급
유압 파워팩은 설치 목적, 사용 특성에 따라
사양 설계가 필요한 모델입니다.
아래 내용을 참고하시고 전화문의하시기 바랍니다.
문 의: 일도유압이엔지 / 0507-1375-0704
E-mail: ildohyd@naver.com
경기도 시흥시(시화공단 內)
아래 기술 자료는 다운로드 가능합니다.

하이드로텍 파워팩 / 산업용 파워팩 / 소형유니트 / POWER PACK
금주에 출고 드린 모델은 산업용 장비에 사용 모델입니다.
※ 시스템 설계 SPEC
실린더 사양: 80Ø x 100ST
실린더 속도: 100ST/5sec
하중: 500kg(Max 2Ton)
위 사양으로 시스템 설계 드린 모델입니다.

하이드로텍 파워팩 / 산업용 파워팩 / 소형유니트 / POWER PACK
단상 모터를 선호하셔서 220V 단상 모터 스펙으로 선정드렸고,
복동실린더 1개 상승/하강 시 필요한,
방향전환밸브 / 압력유지밸브 / 속도조절 밸브를 추가 설치하였습니다.
VERTICAL(수직) 타입으로 사용하고 브라켓으로 고정할 수 있는 방식입니다.
(편의에 따라서 수직 타입도 눕혀서 사용 가능합니다)

하이드로텍 파워팩 / 산업용 파워팩 / 소형유니트 / POWER PACK
파워팩 사양을 간략하게 정리하면 아래 내용과 같습니다.
· 모델명: 산업용 파워팩
· 펌프사양: 2.1cc/rev (Gear pump)
· 모터사양: 1HP*4P*220/380V(3상)
· Tank: 4LT(수직 타입)


하이드로텍 파워팩 / 산업용 파워팩 / 소형유니트 / POWER PACK
※ VERTICAL / HORIZENTAL TYPE
수직 / 수평 타입 설계 가능(브라켓 제공)
밸브는 기본 3단으로 구성 설계 드렸습니다.
속도조절밸브(Trottle check valve)
압력유지밸브(Pilot check valve)
방향전환밸브(Solenoid valve)-밸브 전압은 220V 선정
(밸브 중립 시 P-T 접속 구조로 압력부하 0)
파워팩 시스템 설계 사양
발주 진행 시 납기 3일 이내 출고 가능합니다.






유압 브랜드 대리점
하이드로텍, HYDROTEK, 댄포스, DANFOSS, 엠플러스에스, M+S, NOP, TOP, 동산기공, 나찌, 대성나찌, NACHI, YUKEN, 유켄, 플로우포스, FLOWFORCE, 세원셀론텍, 세원이앤씨, 하이닥, HYDAC, 이튼비커스, EATON, 윤택이엔지, 득인기공, BESKO, 다이킨, DAIKIN, 데니슨, DENISON, HAWE, 하베, ROSE, 도키맥, TOKIMEC, 파커, PARKER, 렉스로스, REXROTH, 하이드로링크, HYDROLYNC, 코팩, 알파팩
하이드로텍 파워팩 / HYDROTEK 파워팩 / HYDROTEK POWER PACK
하이드로텍 대리점 / 파워팩 대리점 / 코팩 파워팩, 알파팩 대리점
WING BODY
윙바디
DOCK LEVELER
도크레벨러
TAIL LIFT
테일리프트
2 POST CAR LIFT
카리프트
4 POST CAR LIFT
CYLINDER PACK
실린더팩
SISSOR LIFT
시저리프트
CAN PRESS
캔프레스
SOLAR PANEL
WHEEL CHAIR LIFT
AFRICULTURE
STACKER
TIRE CHANGERS
JAW COUPLING
