

EATON MOTOR
HYDRAULIC MOTOR
Char-lynn motor
DANFOSS MOTOR
S-380AD2XM
안녕하세요 일도유압이엔지 입니다.
저희 시화 EATON 대리점 일도유압에서 취급하는
EATON 유압모터는 Japan 일본 생산 제품으로
아래와 같은 특징이 있으니 참고 바랍니다.
유압 모터는 컨베이어, 금속가공기계, 도로건설기계, 특수차량 등
적용이 다양한 모델입니다.
EATON 이튼 유압 모터 국내 수입품은 Side port 타입으로
Straight Key type 25Ø입니다.
▶제품 특징
· 드라이브 및 작동유 Seal 부분의 윤활 개선으로 내구성 향상
· 자체 감속기구를 갖춰 높은 토크 발생
· 저속 고토크 모델로 감속장치가 필요 없음
· 회전 방향에 관계 없이 일정한 토크 발생(정역전 가능)
· 회전수가 광범위하고 쉽고 원활하게 제어 가능함
▶제품 사양
· 모 델: S-380AD2XM
(103-4454-012)
· 용 량: 371cc/rev
· 정격출력토크: 457N·m(46.6kgf·m)
· 정격압력: 9.0Mpa
· 정격회전속도: 153rpm
· 중 량: 8.8kg
※ 회전속도 및 출력 토크는 Constants 기준(상시 가동)
H, S Series 모델은 일본 생산
유압시스템 선정 문의 / 유압시스템 상담 가능
유압모터 설치 목적, 사용 특성에 따라 사양이 달라질 수 있으니
아래 내용을 참고하시고 전화문의하시기 바랍니다.
문의전화: 일도유압이엔지 / 0507-1375-0704
E-mail: ildohyd@naver.com
경기도 시흥시(시화공단 內)
아래 기술자료는 다운로드 가능합니다.

[유압모터 / Orbital motor / S 시리즈 모터 / EATON Motor /
DANFOSS Motor]
S 시리즈 모터는 EATON 모델 중 국내에서 가장 사용이 많은 모델입니다.
보통 S 시리즈와 H 시리즈 모터로 구분되며,
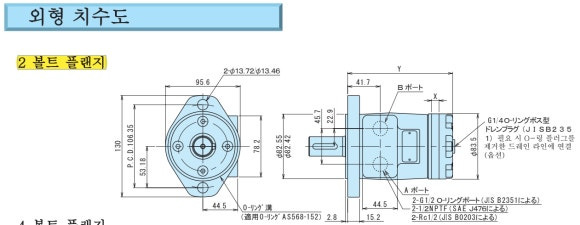
2bolt 고정방식, Straight Key type 25Ø 모델입니다.

[유압모터 / Orbital motor / S 시리즈 모터 / EATON Motor /
DANFOSS Motor]
사용처에서 호스 니플을 구하기 어렵다 하여,
G1/2" O-ring 타입 니플을 구해서 같이 보내드렸습니다.
유압모터 배관을 하실 때는
Drain port를 같이 연결해주셔야, 배압이 걸려서
Shaft Seal 파손되는 것을 방지 할 수 있습니다.

[유압모터 / Orbital motor / S 시리즈 모터 / EATON Motor /
DANFOSS Motor]
실물 박스 사진을 보면, (명판 동일)
S-380AD2XM Made in Japan 일본 생산 제품입니다.
현재 수입되는 모델은
DANFOSS 회사에서 EATON을 인수하여
명판이 DANFOSS로 생산됩니다.
(기존 EATON과 사이즈 스펙 동일)

[유압모터 / Orbital motor / S 시리즈 모터 / EATON Motor /
DANFOSS Motor]
S 시리즈 모터와 H 시리즈 모터의 포트 규격은 다릅니다.
S 시리즈모터: G 1/2" Oring-type
H 시리즈: PT 1/2"
2가지 나사선 차이점 외에 내부구조가 조금 달라서
S 시리즈 출력 토크가 조금 높습니다.
(나머지 외관 사이즈는 동일함)
소량 재고는 항시 보유 중입니다.
당일 택배 출고 가능합니다.





시화유공압, 시흥유공압, 안산유공압, 인천유공압, 구로유공압, 영등포유공압
시화유압, 시흥유압, 안산유압, 인천유압, 구로유압, 영등포유압
일도유압이엔지, 일도유압, 경기 시흥시
유공압 브랜드 지정 대리점
댄포스, DANFOSS, 엠플러스에스, M+S, NOP, TOP, 나찌, NACHI, YUKEN, 유켄, 플로우포스, FLOWFORCE, 세원셀론텍, 세원이앤씨, 하이닥, HYDAC, 이튼비커스, EATON, 윤택이엔지, 득인기공, BESKO, 다이킨, DAIKIN, 데니슨, DENISON, ROSE, HAWE, ROSE, 도키맥, TOKIMEC, KCC, 케이시시정공,하이드로링크, HYDROLYNC
EATON 유압모터 / 이튼 유압모터 / Orbital motors / Hydraulic motors
H 시리즈 모터(OMP 호환용) / S 시리즈 모터(OMR 호환용)
H-040CD2XJ
H-050CD2XJ
H-070CD2XJ
H-100CD2XJ
H-130CD2XJ
H-170CD2XJ
H-200CD2XJ
H-240CD2XJ
H-290CD2XJ
H-390CD2XJ
EATON 유압모터 / 이튼 유압모터 / Orbital motors / Hydraulic motors
H 시리즈 모터(OMP 호환용) / S 시리즈 모터(OMR 호환용)
S-050AD2XM
S-070AD2XM
S-100AD2XM
S-120AD2XM
S-140AD2XM
S-160AD2XM
S-190AD2XM
S-220AD2XM
S-300AD2XM
S-380AD2XM
