
EATON MOTOR
DANFOSS MOTOR
H 시리즈
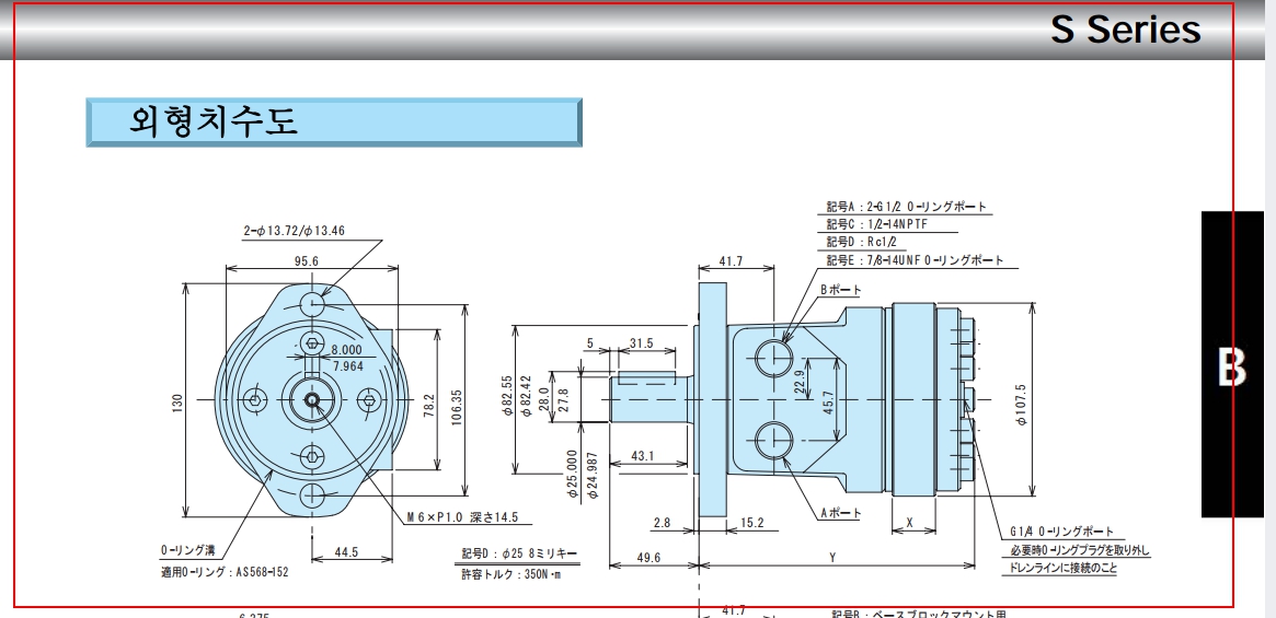
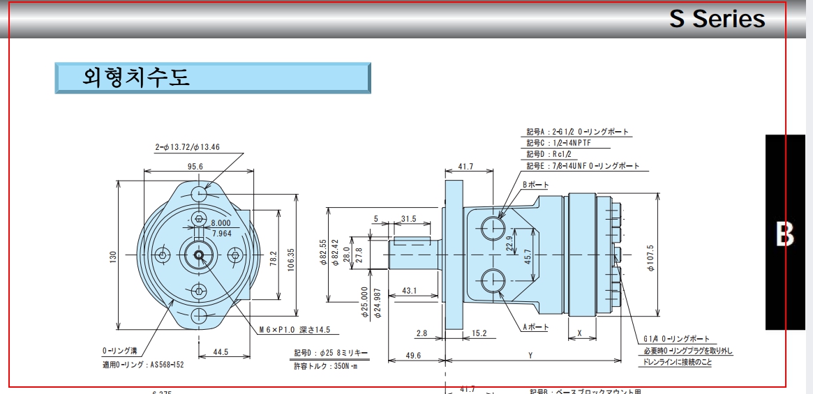
S 시리즈
안녕하세요 일도유압이엔지 입니다.
저희 시화 일도유압에서 취급중인 EATON 이튼 유압 모터는
미국 생산 제품으로
아래와 같은 특징이 있으니 참고 바랍니다.
유압모터는 컨베이어, 금속가공기계, 도로건설기계, 특수차량 등 적용이 다양합니다. EATON 이튼 유압 모터 국내 수입품은 Side port 타입으로
Straight Key Type 25mm 입니다.
▶제품 특징
· 드라이브 및 작동유 SEAL 부분의 윤활 개선으로 내구성 향상
· 지로터 · 지로라는 자체 감속기구를 갖춰 높은 토크 발생
· 저속 고토크 모델로 감속장치가 필요 없음
· 회전 방향에 관계 없이 일정한 토크 발생(정역전 가능)
· 회전수가 광범위하고 쉽고 원활하게 제어 가능함
▶제품 사양
· 모 델: H-200CD2XJ
S-100AD2XM
· 용 량: 184cc/rev
· 회전속도: 290rpm
· 출력토크: 255N·m
· 허용압력: 10.2Mpa
· 무 게: 6.1kg
Shaft: Straight Key Type 25Ø
※ 회전속도 및 출력토크는 Constants 기준으로 작성되었습니다.
H / S Series 모델은 Made in Japan 일본 생산 제품입니다.
설치 목적, 사용 특성에 따라 사양이 달라질 수 있으니
아래 내용을 참고하시고 전화문의하시기 바랍니다.
문의전화: 일도유압이엔지 / 0507-1375-0704
E-mail 문의: ildohyd@naver.com
아래 카탈로그는 다운로드 가능합니다.

H 시리즈 유압모터 / S 시리즈 유압모터를 소개합니다.
사양은 아래와 같으며 실물 사진을 첨부드렸습니다.
▶제품 사양
· 모 델: H-200CD2XJ
S-100AD2XM
· 용 량: 184cc/rev
· 회전속도: 290rpm
· 출력토크: 255N·m
· 허용압력: 10.2Mpa
· 무 게: 6.1kg

H 시리즈 유압모터 / S 시리즈 유압모터는
2 Bolt 타입이고,
Side port 타입입니다.
Shaft: Straight Key Type 25Ø
DANFOSS 유압모터, M+S 유압모터와 성능은 호환 가능합니다.
Port 위치만 차이가 있습니다.

H 시리즈 유압모터 / S 시리즈 유압모터
재고는 항시 보유중이며, 당일 화물 / 택배 발송 가능합니다.
유압모터 선정 시 문의 주시면 상담 가능합니다.





시화유공압, 시흥유공압, 안산유공압, 인천유공압, 구로유공압, 영등포유공압
시화유압, 시흥유압, 안산유압, 인천유압, 구로유압, 영등포유압
일도유압이엔지, 일도유압, 경기 시흥시
유공압 브랜드 지정 대리점
댄포스, DANFOSS, 엠플러스에스, M+S, NOP, TOP, 나찌, NACHI, YUKEN, 유켄, 플로우포스, FLOWFORCE, 세원셀론텍, 세원이앤씨, 하이닥, HYDAC, 이튼비커스, EATON, 윤택이엔지, 득인기공, BESKO, 다이킨, DAIKIN, 데니슨, DENISON, ROSE, HAWE, ROSE, 도키맥, TOKIMEC, KCC, 케이시시정공,하이드로링크, HYDROLYNC
EATON 유압모터 / 이튼 유압모터 / Orbital motors / Hydraulic motors
H 시리즈 모터(OMP 호환용) / S 시리즈 모터(OMR 호환용)
H-040CD2XJ
H-050CD2XJ
H-070CD2XJ
H-100CD2XJ
H-130CD2XJ
H-170CD2XJ
H-200CD2XJ
H-240CD2XJ
H-290CD2XJ
H-390CD2XJ
EATON 유압모터 / 이튼 유압모터 / Orbital motors / Hydraulic motors
H 시리즈 모터(OMP 호환용) / S 시리즈 모터(OMR 호환용)
S-050AD2XM
S-070AD2XM
S-100AD2XM
S-120AD2XM
S-140AD2XM
S-160AD2XM
S-190AD2XM
S-220AD2XM
S-300AD2XM
S-380AD2XM
