

DANFOSS Motor 공식대리점 - 일도유압이엔지
WHITE Motor
OMM Motor Series
OMM20 151G0002
안녕하세요 일도유압이엔지 입니다.
저희 시화 DANFOSS 공식 대리점 일도유압에서 취급하는
DANFOSS 유압모터는 유럽 덴마크(Denmark) 생산 제품으로
아래와 같은 특징이 있습니다.
▶제품 특징
· 저속에서 고속까지 안정된 회선 지원
· 높은 토크 및 효율성 유지
· 광범위 회전 범위에서 출력 토크 지원
유압 모터는 컨베이어, 금속가공기계, 도로건설기계, 특수차량 등
적용분야가 다양합니다.
DANFOSS 유압 모터 국내 수입 모델은 EU(European) 버전입니다.
▶제품 스펙
· 모델명: OMM20 151G0002(End port)
OMM20 151G0005(Side port)
· 최대속도: 1000rpm
· 최대토크: 25Nm(220lbf-in)
· 최대압력: 100bar
· 중 량: 2.1kg
※ Made in POLAND 유럽 생산 제품입니다.
본사는 DENMARK OEM 생산
현재는 WHITE에 합병되어 메이커 WHITE로 생산
유압시스템 제작 전문 / 유압 부품 공급 전문
📞 DANFOSS 유압모터 / WHITE MOTOR 기술 상담 안내
DANFOSS 공식 대리점 - 일도유압이엔지
OMM 시리즈는 소형 경량 ·고효율 유압모터로
다양한 장비 및 산업 설비에 적용됩니다.
End port / Side port, 샤프트 타입, 유량 및 압력 조건 등에 따라
정확한 제품 선정이 중요합니다.
✔️ 모델명 / 적용 목적만 알려주시면
→사양 비교 / 대체 모델 제안 / 재고 유무까지
신속하게 안내 드립니다.
📞 문의전화: 0507-1375-0704
📧 E-mail: ildohyd@naver.com
🏭 경기도 시흥시 시화공단
📦 유럽 생산 정품 보유 / 당일 출고 가능

[DANFOSS Motor / WHITE Motor / OMM Motor / 장비용유압모터]
금주에 출고된 모델은 장비용으로 사용예정인 모델입니다.
RPM, Torque를 계산하여 선정 드렸습니다.
Poland 유럽 생산 제품으로
역사와 전통을 자랑하는 브랜드입니다.

[DANFOSS Motor / WHITE Motor / OMM Motor / 장비용유압모터]
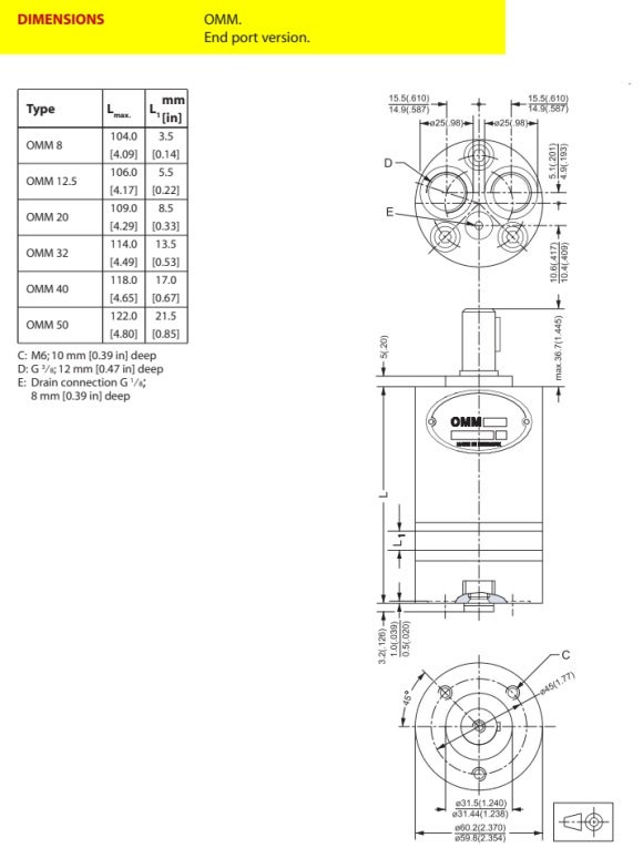
OMM20 모델은 End port 모델과 Side port 버전 모델이 있습니다.
OMM20 151G0002(End port)
OMM20 151G0005(Side port)
유압 IN / OUT 포트의 위치에 따라 품번이 다릅니다.
Oil Port Size: G 3/8" Bonded seal type

[DANFOSS Motor / WHITE Motor / OMM Motor / 장비용유압모터]
OMM Motor 버전은 유럽 버전입니다.
Shaft Size: Straight Key type 16Φ
중량은 2.1kg 정도로 경량 모델입니다.

[DANFOSS Motor / WHITE Motor / OMM Motor / 장비용 유압모터]
OMM Motor는 Seal 내구성이 뛰어난 모델입니다.
M+S 사의 MM 시리즈 모델과 호환 가능합니다.
MM20C
MMS20C
사이즈 / 용량별 재고 보유 중이며,
전국 택배 발송 가능합니다.





📞 DANFOSS / WHITE MOTOR 전문 상담
OMM 시리즈 오비트모터는 다양한 장비에 적용 가능한
저속 고토크 경량 유압모터 입니다.
✔️ 모델만 알려주시면
→ 설치 포트, 회전수, 호환 모델, 재고 확인까지 신속하게 안내드립니다.
📞상담전화: 0507-1375-0704
📧 이메일문의: ildohyd@naver.com
🏭 경기 시흥시 시화공단(공장)
📦 정품 재고 보유 / 전국 당일 출고 가능
시화유공압, 시흥유공압, 안산유공압, 인천유공압, 구로유공압, 영등포유공압
시화유압, 시흥유압, 안산유압, 인천유압, 구로유압, 영등포유압
일도유압이엔지, 유압시스템, 유압엔지니어링, 경기 시흥시
유압 브랜드 대리점
댄포스, DANFOSS, 엠플러스에스, M+S, NOP, TOP, 나찌, NACHI, YUKEN,
유켄, 플로우포스, FLOWFORCE, 세원셀론텍, 세원이앤씨, 하이닥, HYDAC,
이튼비커스, EATON, 윤택이엔지, 득인기공, BESKO, 다이킨, DAIKIN, 데니슨,
DENISON, HAWE, ROSE, 도키맥, TOKIMEC, 케이시시정공, KCC,
하이드로링크, HYDROLYNC, 하이드로텍, HYDROTEK
DANFOSS MOTOR / 댄포스 모터 / 유압모터 / 오비트모터
OMM8 151G0040
OMM12.5 151G0001
OMM20 151G0002
OMM32 151G0003
OMM40 151G0277
OMM50 151G0037
OMM8 151G0041
OMM12.5 151G0004
OMM20 151G0005
OMM32 151G0006
OMM40 151G0279
OMM50 151G0013
MM8
MM12.5
MM20
MM32
MM40
MM50
MMS8
MMs12.5
MMS20
MMS32
MMS40
MMS50
