

DANFOSS MOTOR 공식 대리점 - 일도유압이엔지
DANFOSS 유압모터 [OMM32]
151G0006
151G0003
안녕하세요
산업용 유압모터 전문 업체 일도유압이엔지 입니다.
저희 시화 DANFOSS 댄포스 공식대리점 일도유압에서 취급하는
유압모터는 유럽덴마크(DENMARK) 생산제품으로
아래와 같은 특징이 있으니 참고바랍니다.
▶제품 특징
· 저속에서 고속까지 안정된 회선 지원
· 높은 토크 및 효율성 유지
· 광범위 회전 범위에서 출력 토크 지원
유압모터는 컨베이어, 금속가공기계, 도로건설기계, 특수차량 등 적용이 다양합니다.
DANFOSS 댄포스 유압모터 국내 수입품은 Side port 타입으로 EU(European) 버전입니다.
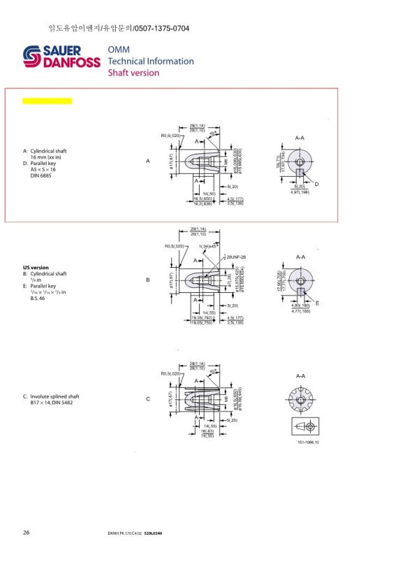
유압 모터 샤프트는 Key type 모델로 16mm 입니다.
▶제품 스펙
모델명: OMM32 151G0006
MMS32(M+S 모델로 호환 가능)
특 징: Side port
용 량: 31.6㎠/rev
토 크: 40Nm(350lbf-in)
속 도: 630rpm
※ 토크 및 속도는 Constant 상시가동 기준 입니다.
Made in Denmark 유럽/덴마크 생산 제품 입니다.
📞 DANFOSS 유압모터 문의 및 기술상담
DANFOSS 공식 대리점 - 일도유압이엔지
유럽산 DANFOSS OMM 시리즈는
고출력 토크, 저소음, 고내구성으로
컨베이어 ·금속가공 ·건설장비에 널리 사용되는 인기 모델입니다.
✔️ OMM32 모델은 40Nm 토크 / 630rpm 성능
✔️ M+S MMS32 모델과 완전 호환 가능
포트타입, 샤프트 형상 등 사양만 알려주시면
→ 재고 확인부터 적합 모델까지 바로 추천드립니다.
📞 문의전화: 0507-1375-0704 /
📧 ildohyd@naver.com
🏭 위치: 경기도 시흥시 시화공단 내 / 전국 당일 택배 발송
첨부파일: DANFOSS OMM 모터 사양서
✅ 제품 실물 사진(스펙)

[DANFOSS MOTOR / OMM Motor / Orbital motor / 151G0006]
컨베이어, 금속가공기계, 도로건설기계, 특수차량 등 주로 사용하는 유압모터!
16mm 두께의 샤프트
Shaft 16mm Key Type 입니다.

[DANFOSS MOTOR / OMM Motor / Orbital motor / 151G0006]
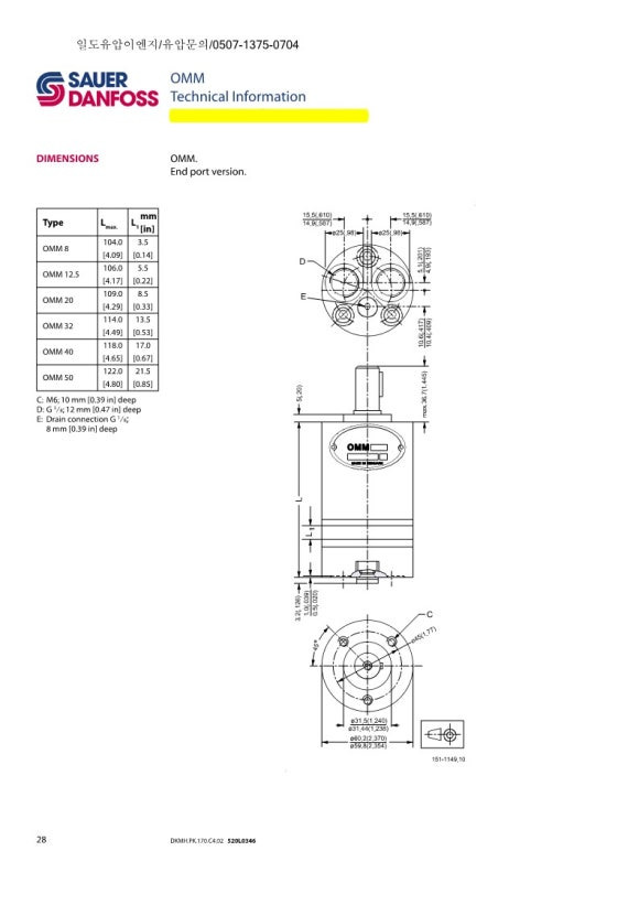
사이드 포트(Side port)
유압 모터 측면으로 90도 위치에 호스 연결 포트가 있습니다.
Port size : G 3/8" Bonded seal type

[DANFOSS MOTOR / OMM Motor / Orbital motor / 151G0006]
재고 보유 실물사진
OMM32 151G0006, 151G0003 외 다량 재고 보유사진입니다.
유압시스템 제작 전문 / 유압 부품 공급 전문
당일 택배 출고 가능합니다.





🔧 DANFOSS 유압모터 OMM시리즈
✔️ 다양한 용량 보유, 현장 적용 사례 다수
✔️ 빠른 납기 + 정품 보증 + 기술지원까지
지금 바로 전화주세요! 당일 출고 가능합니다.
📞 문의: 0507-1375-0704(일도유압이엔지)
시화유공압, 시흥유공압, 안산유공압, 인천유공압, 구로유공압, 영등포유공압
시화유압, 시흥유압, 안산유압, 인천유압, 구로유압, 영등포유압
일도유압이엔지, 유압시스템, 유압엔지니어링, 경기 시흥시
유압 브랜드 대리점
댄포스, DANFOSS, 엠플러스에스, M+S, NOP, TOP, 나찌, NACHI, YUKEN,
유켄, 플로우포스, FLOWFORCE, 세원셀론텍, 세원이앤씨, 하이닥, HYDAC,
이튼비커스, EATON, 윤택이엔지, 득인기공, BESKO, 다이킨, DAIKIN, 데니슨,
DENISON, HAWE, ROSE, 도키맥, TOKIMEC, 케이시시정공, KCC,
하이드로링크, HYDROLYNC, 하이드로텍, HYDROTEK
DANFOSS MOTOR / 댄포스 모터 / 유압모터 / 오비트모터
OMM8 151G0040
OMM12.5 151G0001
OMM20 151G0002
OMM32 151G0003
OMM40 151G0277
OMM50 151G0037
OMM8 151G0041
OMM12.5 151G0004
OMM20 151G0005
OMM32 151G0006
OMM40 151G0279
OMM50 151G0013
MM8
MM12.5
MM20
MM32
MM40
MM50
MMS8
MMs12.5
MMS20
MMS32
MMS40
MMS50
