

MPFILTI FILTER
IN LINE FILTER
FHP 시리즈
FHP350-1-BAD2A25
안녕하세요 일도유압이엔지 입니다.
저희 시화 MPFILTRI 대리점 일도유압에서 취급하는 고압용 라인필터
FHP 시리즈 모델을 소개합니다.
고압용 모델로 최대 420bar까지 사용 가능합니다.
인 라인 필터는 유압 시스템에서 펌프 토출 측에 부착하여
1차측 이물질을 제거하여 밸브 외 엑츄에이터의
손상을 보호하는 역할을 합니다.
주기적으로 FILTER ELEMENT를 교환하여야 합니다.
▶제품 특징
· 미세 여과 등급에 의한 유압 시스템에 양호한 청정도 수준 확보
· 바이패스 밸브, 역방향 유동 밸브를 통한 백 플로우 방지 확보
· 고압 유압 시스템에 직접 설치하여 민감한 산업 설비 보호 가능
▶제품 사양
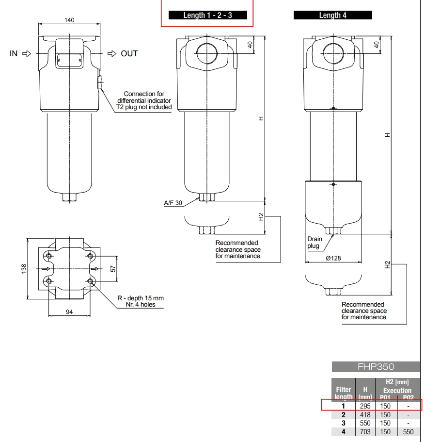
· 모 델: FHP3501BAD2A10
· 최대유량: 301ℓ/min(A25 필터 사용 시)
FILTER ELEMENT는 10μ, 25μ 미크론 재고 보유중
· 배관 사이즈: Flange SAE 3000psi 1 1/2"
+ 나사타입 G 1 1/4" 겸용
· 최대압력: 0~420bar 사용 가능
· 바이패스 밸브: 개방 압력 6bar
· 재 질: Head: Phosphatized cast iron
Housing: Phosphatized steel
※ Made in Itay 유럽 이탈리아 생산 제품입니다.
필터 사양 선정 및 유압 시스템 관련 문의는 상담 가능합니다.
유압시스템 전문 제작 업체
사이즈 / 용량별 재고 보유 중입니다.
설치 목적, 사용 특성에 따라 사양이 달라질 수 있으니
아래 내용을 참고하시고 전화문의하시기 바랍니다.
문의전화: 일도유압이엔지 / 0507-1375-0704
E-mail: ildohyd@naver.com
아래 기술 자료는 다운로드 가능합니다.

.
MPFILTRI / ITALY FILTER / 고압용 필터 / 라인 필터 / 인라인 필터
금일은 저희가 재고로 보유 중인 MPFILTRI 사의 고압용 필터를 소개합니다.
사양은 아래와 같으며, 현재 국내에서 많이 사용 중인 모델입니다.
하이닥 / 파커 필터와 호환은 불가하지만, 재고를 가져가는 모델입니다.
· 모 델: FHP3501BAD2A10
· 최대유량: 301ℓ/min(A25 필터 사용 시)
· 배관 사이즈: Flange SAE 3000psi 1 1/2"
+ 나사타입 G 1 1/4" 겸용
· 최대압력: 0~420bar 사용 가능
FILTER ELEMENT는 10μ, 25μ 미크론
2가지 모델로 재고 보유 중입니다.

MPFILTRI / ITALY FILTER / 고압용 필터 / 라인 필터 / 인라인 필터
· 바이패스 밸브: 개방 압력 6bar
· 재 질: Head: Phosphatized cast iron
Housing: Phosphatized steel
※ Made in Itay 유럽 이탈리아 생산 제품입니다.
INDICATOR은 전자식/수동식(VISUAL TYPE) 보유 중입니다.
전자식 타입은 24V 신호에 의해서 필터 내 배압이 발생하였을 때,
신호를 보내줘서 알람이 발생하게 되며, FILTER ELEMENT를 교체하면 됩니다.

MPFILTRI / ITALY FILTER / 고압용 필터 / 라인 필터 / 인라인 필터
· 배관 사이즈: Flange SAE 3000psi 1 1/2"
+ 나사타입 G 1 1/4" 겸용
플랜지 타입과 나사타입을 겸용으로 사용할 수 있는 모델입니다.
사이즈 / 용량별 재고 보유 중이며, 당일 택배 출고 가능합니다.




시화유공압, 시흥유공압, 경기도유공압, 서울유공압, 구로유공압, 영등포유공압
시화유압, 시흥유압, 경기도유압, 서울유압, 구로유압, 영등포유압
유압엔지니어링, 유압시스템, 유압상담
유압 브랜드 대리점
NOP, TOP, 동산기공, 아륭펌프, 렉스로스, REXROTH, 유켄, YUKEN, 하이드로링크, HYDROLYNC, 세원셀론텍, 세원이앤씨, 하이닥, HYDAC, 플로우포스, FLOWFORCE, 이튼비커스, EATON, 댄포스, DANFOSS, 다이세이, TAISEI, 엠플러스에스, M+S, 하이드로텍, HYDROTEK, 득인기공, BESKO, 다이킨, DAIKIN, 도키맥, TOKIMEC, 케이시시정공, KCC, 파커, PARKER, 대성나찌, 나찌, NACHI, 훌루테크, 가와사키, 하베, HAWE
MPFILTRI / ITALY FILTER / 고압용 필터 / 라인필터 / 인라인 필터 / INLINE FILTER / MP FILTER / MP 필터 / MP FILTERELEMENT / MP 필터 엘리먼트 / MP 리턴 필터 / Return line Filter /
FMM 고압용필터 / FMM 시리즈(max 420bar)
FILTER ELEMENT는 10μ, 25μ 미크론(A10, A25 보유중)
FMM0501BCA-A-A10-N
FMM0502BACA-A10-N
FMM0503BADA-A10-N
FMM0504BADA-A10-N
FMP 고압용 필터 / FMP 시리즈(Max 320bar)
FMP1352BAG2-A10-N
FHP고압용필터 / FHP 시리즈(max 420bar)
FILTER ELEMENT는 10μ, 25μ 미크론(A10, A25 보유중)
FHP1352BAG2-A10-N
FHP3501BAD2-A10-N
FHP3502BAD2-A10-N
FHP3503BAD2-A10-N
