

M+S 유압모터 정식 공급 - 일도유압이엔지
안녕하세요.
유압기기 전문기업 일도유압이엔지입니다.
이번에 소개드릴 제품은 굴삭기 회전링크(Swing Link) 구동부에
최적화된 M+S Hydraulic RK200 유압모터입니다.
본 제품은 고토크, 저속 안정성, 높은 내구성을 바탕으로
굴삭기 선회 모터, 크레인, 산업용 회전 시스템 등에 널리 적용되고 있습니다.
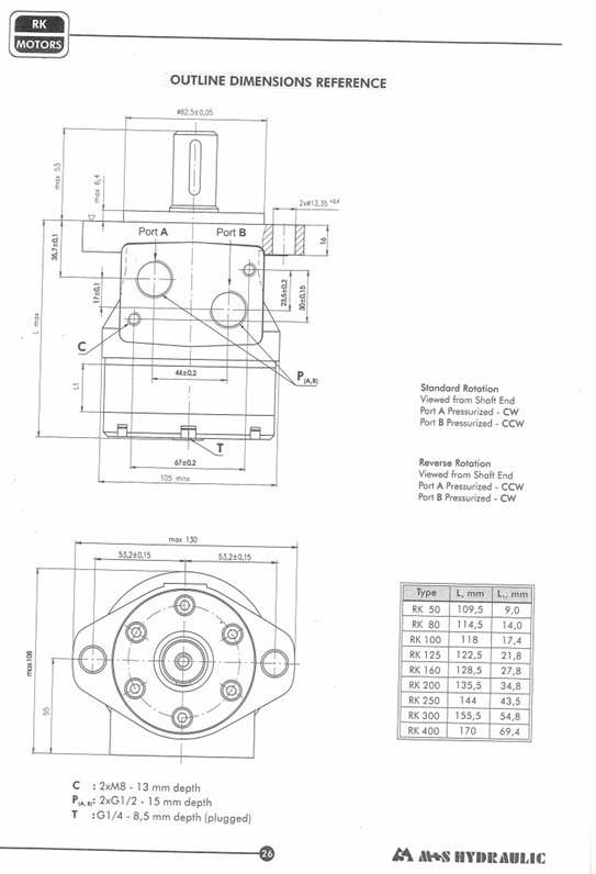
🔧 RK200 주요 특징
· 브랜드: M+S Hydraulic (Made in Bulgaria)
· 모델명: RK200SHWH
· 용도:
굴삭기 회전 링크, 선회 구동, 크레인, 산업 자동화설비
· 특징:
- 고토크 저속 구동 최적화
- 연속/간헐 운전 모두 대응
- 내구성 강화된 베어링 구조
- 감속기와 결합 시 고출력 선회 동작 실현
✅ RK200 상세 사양
|
항목
|
RK200SHWH
|
|
배기량(Displacement)
|
199.8cc/rev
|
|
연속 회전속도(Max. Speed)
|
300rpm
|
|
간헐 회전속도(Int.)
|
375rpm
|
|
연속 토크(Max. Torque, Cont)
|
34daNm(340 Nm)
|
|
피크 토크(Peak)
|
47daNm(470 Nm)
|
|
출력(Max. Output)
|
8.8kW
|
|
연속 압력(Max. Pressure Drop)
|
125bar
|
|
중량
|
7.4 kg
|
📊 제품 실물
· 스플라인 샤프트 구조로 고토크 전달 가능
· 포트부 견고한 구조, 유지보수 용이
· 라벨에 모델명·제조국 표기 → 정품 확인 가능
· 대량 입고로 빠른 납품 대응 가능

M+S Hydraulic Motor RK200SHWP - 일도유압이엔지

M+S Hydraulic Motor RK200SHWP - 일도유압이엔지

M+S Hydraulic Motor RK200SHWP - 일도유압이엔지

M+S Hydraulic Motor RK200SHWP - 일도유압이엔지

M+S Hydraulic Motor RK200SHWP - 일도유압이엔지
✅ 적용 분야
· 중형 굴삭기 회전링크(스윙 모터)
· 산업용 크레인 선회 구동부
· 자동화 설비 및 특수 장비 회전 구동
· 감속기와 결합한 고토크 장비
📦 기술 상담 & 공급 안내
일도유압이엔지는
국내 산업 현장에서 검증된 유압 브랜드의 공식 대리점으로,
굴삭기·건설기계·산업설비용 유압모터 및 펌프를
전문적으로 공급합니다.
☎️ 대표전화: 0507-1375-0704
📩 이메일: ildohyd@naver.com
→ 정품 보증 / 재고 보유 / 기술 상담 가능
믿을 수 있는 서비스를 제공합니다.



일도유압이엔지는
굴삭기, 건설기계, 산업설비 현장에 특화된
유압모터·펌프·파워팩 전문기업입니다.
검증된 글로벌 메이커와의 협력을 통해
신뢰할 수 있는 유압 솔루션을 제공합니다.
서울·인천·화성·시흥 산업단지를 중심으로
전국 공급 및 기술지원이 가능합니다.
☎️ 대표전화: 0507-1375-0704

'유압모터 > M+S(엠플러스에스)' 카테고리의 다른 글
| [MR100SH 유압모터 교체 사례] 고하중 중장비 교체용 M+S Hydraulic 유압모터 납품 사례 - 일도유압이엔지 (1) | 2025.07.27 |
|---|---|
| M+S Hydraulic MM20CP 유압모터 - 컴팩트 고성능 오비탈 모터 (4) | 2025.06.01 |
| [M+S 유압모터] MR160SH / MR160GP-OMR160 대체 가능한 스플라인 장비용 모터(출고 사례 포함) (6) | 2025.05.06 |
| [M+S 유압모터] MR200SH · MR100SH 시리즈 / 불가리아산 오비탈모터 공식 대리점 - 일도유압이엔지 (3) | 2025.02.09 |
| M+S 유압모터 MT315CP 장비용모터 HYDRAULIC MOTOR ORBITAL MOTOR 산업용모터 특장차유압모터 (1) | 2024.09.21 |