
하이드로텍 대리점
AC 유압 파워팩
DC 유압 파워팩
안녕하세요.
산업용 유압 시스템 전문기업 일도유압이엔지 입니다.
요즘 자동화 설비, 전동 리프트, 특장차 등에
AC 유압 파워팩을 찾는 문의가 빠르게 늘고 있습니다.
특히, HYDROTEK 정품 부품을 사용한 파워팩은
성능, 내구성, 정숙성까지 우수하여
많은 기업에서 선택하고 있는 제품입니다.
▶ HYDROTEK 파워팩 장점
✔ 정품 HYDROTEK 모터 → 고성능 + 저소음
✔ 릴리프/전자솔밸브/체크밸브 일체형
✔ 탱크 통합 설계로 공간 절약
✔ 국내 제작 및 품질 테스트 완료
✔ 긴급 납품 및 AS 대응 가능
▶ 기본 사양(맞춤 제작 가능)
|
항목
|
내용
|
|
전원
|
AC 220V or AC380V
|
|
출력
|
0.75kw~3.7kw
|
|
탱크 용량
|
1LT ~ 30LT
|
|
밸브 구성
|
전자솔밸브, 릴리프밸브,
체크밸브 내장형
|
|
적용 브랜드(Korea)
|
HYDROTEK + 일도유압 자체 조립
|
AC 파워팩 전면 사진입니다.
모든 이미지는 저희 공장에서 실제 제작된 제품입니다.

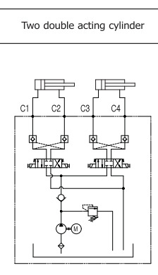
AC 파워팩 측면 밸브 부착 사진입니다.
일도유압에서 조립되며, SOLENOID VALVE 전압은 220V
P-T 접속 회로로 산업용공장에서 사용예정이며,
실린더를 측면으로 타임별로 밀어주는
역할을 합니다.

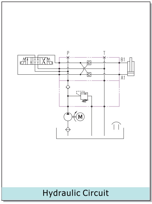
일도유압에서 공급하는 파워팩은
AC 파워팩으로 장시간 돌려도 부하가 걸리지 않도록
압력은 최저로 세팅하여 출고드렸으며,
P-T 접속 밸브를 사용하여 부하를 줄였습니다.

모든 이미지는 저희 공장에서 실제 제작된 제품입니다.
사이즈/용량별 맞춤형으로 제작됩니다.
1LT~30LT 용량까지 제작 가능합니다.
문의 주실 때 실린더 스펙을 알려주시면
용량에 맞게 컨설팅하여 견적드리고
조립하여 출고 됩니다.
▶ 사용처 예시
✔ 전동 리프트, 차량용 리프트
✔ 프레스기계, 목공 기계
✔ 덤프 유압 시스템(윙바디)
✔ 창고 자동화 설비
✔ 테스트 유압 장비 등
▶ 견적 및 기술 문의
고객의 설비 환경, 유량 조건에 맞는
유압 솔루션을 제안드립니다.
제품 도입을 고려하고 계시다면
아래 연락처로 직접 연락주세요.
✔ 상호명: 일도유압이엔지
☎ 0507-1375-0704(대표번호)
✉ ildohyd@naver.com
첨부파일: 파워팩 선정 사양서





유압 브랜드 대리점
하이드로텍, HYDROTEK, 댄포스, DANFOSS, 엠플러스에스, M+S, NOP, TOP, 동산기공, 나찌, 대성나찌, NACHI, YUKEN, 유켄, 플로우포스, FLOWFORCE, 세원셀론텍, 세원이앤씨, 하이닥, HYDAC, 이튼비커스, EATON, 윤택이엔지, 득인기공, BESKO, 다이킨, DAIKIN, 데니슨, DENISON, HAWE, 하베, ROSE, 도키맥, TOKIMEC, 파커, PARKER, 렉스로스, REXROTH, 하이드로링크, HYDROLYNC, 코팩, 알파팩
하이드로텍 파워팩 / HYDROTEK 파워팩 /
HYDROTEK POWER PACK
하이드로텍 대리점 / 파워팩 대리점 / 코팩 파워팩, 알파팩 대리점
WING BODY
윙바디
DOCK LEVELER
도크레벨러
TAIL LIFT
테일리프트
2 POST CAR LIFT
카리프트
4 POST CAR LIFT
CYLINDER PACK
실린더팩
SISSOR LIFT
시저리프트
CAN PRESS
캔프레스
SOLAR PANEL
WHEEL CHAIR LIFT
AFRICULTURE
STACKER
TIRE CHANGERS
JAW COUPLING
AI
