

DAIKIN PISTON PUMP
V SERIES PUMP
가변피스톤펌프
V38A-3R-95
안녕하세요 일도유압이엔지 입니다.
저희 시화 다이킨 대리점 일도유압에서 취급하는
DAIKIN V시리즈 피스톤 펌프를 소개합니다.
가변 피스톤 펌프 제품으로 유량과 압력 제어가 가능하며,
아래와 같은 특징이 있습니다.
▶제품 특징
· 고효율, 저소음 제품이며, 설치 사용이 용이함
· 동력 손실이 적고 유온상승을 억제하는 기능이 있음
· 예민한 컷오프 특성으로 소비 전력이 절약되는 모델임
▶제품 사양
· 모델명: V38A-3R-95(Aixal port)
· 용 량: 37.7cc/rev
· 사용압력: 210kgf/㎠
· 압력조정범위: 35~210kgf/㎠
· 유량조정범위: 35~68ℓ/min(1800 rpm 기준)
· 중 량: 24.4kg
※ Made in Japan 일본 생산 제품입니다.
유압시스템 제작 전문 / 유압 메이커 부품 공급
유압시스템 설치 목적, 사용 특성에 따라 사양이 달라질 수 있으니
아래 내용을 참고하시고 전화문의하시기 바랍니다.
문 의: 일도유압이엔지 / 0507-1375-0704
E-mail문의: ildohyd@naver.com
경기도 시흥시(시화공단 內 공장 위치)
아래 카탈로그는 다운로드 가능합니다.

[DAIKIN PISTON PUMP / 다이킨 피스톤 펌프 / V시리즈 펌프]
금주에 출고 된 DAIKIN 피스톤 펌프 모델을 소개합니다.
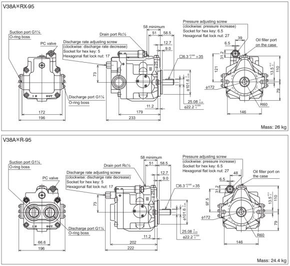
V38A-3R-95 모델로 Aixal port 모델입니다.
IN / OUT 사이즈: G 1 1/4" Oring타입
엑셜포트(end port) 펌프 뒤쪽으로
펌프 흡입/토출이 위치합니다.

[DAIKIN PISTON PUMP / 다이킨 피스톤 펌프 / V시리즈 펌프]
V38A-3R-95 모델은 압력범위가 210kgf 모델로
가변으로 유량/압력 조절이 가능합니다.
사출기 / 워터젯 장비에 주로 선정된 모델입니다.
Made in Japan 모델로
유켄 모델인 A37 모델과 동일 스펙이나
단가가 저렴하여 가성비 모델입니다.

[DAIKIN PISTON PUMP / 다이킨 피스톤 펌프 / V시리즈 펌프]
V38A-3R-95 모델은
V38A-3R-95-100 모델과 동일합니다.(디자인번호100 무시)
Shaft size: 22.2Ø
펌프 마운팅 면(단스키): 101.6Ø
펌프 상부의 큰뭉치는 압력조절밸브 입니다.(시계방향 압력상승)

[DAIKIN PISTON PUMP / 다이킨 피스톤 펌프 / V시리즈 펌프]
V15A
V23A
V38A
V70A 모델은
재고 보유 모델입니다.
당일 택배 출고 가능합니다.
유압시스템 제작 전문 / 유압 메이커 부품 공급





시화유공압, 시흥유공압, 경기도유공압, 서울유공압, 구로유공압, 영등포유공압
시화유압, 시흥유압, 경기도유압, 서울유압, 구로유압, 영등포유압
유압엔지니어링, 유압시스템, 유압상담
유압 브랜드 대리점
NOP, TOP, 동산기공, 아륭펌프, 렉스로스, REXROTH, 유켄, YUKEN, 하이드로링크, HYDROLYNC, 세원셀론텍, 세원이앤씨, 하이닥, HYDAC, 플로우포스, FLOWFORCE, 이튼비커스, EATON, 댄포스, DANFOSS, 다이세이, TAISEI, 엠플러스에스, M+S, 하이드로텍, HYDROTEK, 득인기공, BESKO, 다이킨, DAIKIN, 도키맥, TOKIMEC, 케이시시정공, KCC, 파커, PARKER, 대성나찌, 나찌, NACHI, 훌루테크, 가와사키, 하베, HAWE
다이킨 피스톤펌프 / DAIKIN PUMP / DAIKIN PISTON PUMP /
가변 피스톤 유압 펌프 / HYDRAULIC PUMP
V시리즈 펌프
V8A1RX-20
V15A1RY-95
V15A1R-95
V15A1RX-95
V15A2R-95
V15A2RX-95
V15A3R-95
V15A3RX-95
V23A1R-30
V23A1RX-30
V23A2R-30
V23A2RX-30
V23A3R-30
V23A3RX-30
V38A1R-95
V38A1RX-95
V38A2R-95
V38A2RX-95
V38A3R-95
V38A3RX-95
V50A1R-20
V50A1RX-20
V50A2R-20
V50A2RX-20
V50A3R-20
V50A3RX-20
V70A1R-60
V70A1RX-60
V70A2R-60
V70A2RX-60
V70A3R-60
V70A3RX-60
VZ시리즈 펌프
VZ50A1RX-10
VZ50A2RX-10
VZ50A3RX-10
VZ63A1RX-10
VZ63A2RX-10
VZ63A3RX-10
VZ80A1RX-10
VZ80A2RX-10
VZ80A3RX-10
