

NACHI VANE PUMP
VDC 시리즈 펌프
나찌 가변 베인펌프
VDC-2A-1A3-20
안녕하세요 일도유압이엔지 입니다.
저희 시화 NACHI(대성 나찌) 대리점 일도유압에서 취급하는
VDC 시리즈 가변 베인 펌프 VDC-2A-1A3-20 모델을 소개합니다.
▶ 제품 특징
· 손실 동력을 줄인 고효율 운전 가능
· 저소음 동작 및 조용한 동작음
· 소형이면서 Simple한 구조로 취급이 간단함
· 정확한 특성과 민감한 응답성
· 고효율과 오랜 수명을 보증하는 견고한 구조
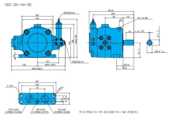
▶ 제품 사양
· 모델명: VDC-2A-1A3-20(FooT type)
· 용 량: 30cc/rev
· 토출량: 54ℓ/min
· 압력 조정 범위: 20.4~71.4kgf/㎠
· 최대압력(피크): 140kgf/㎠
· 중 량: 25kg
※ Made in Japan 일본 생산 제품입니다.
펌프 설치 목적, 사용 특성에 따라 사양이 달라질 수 있으니
아래 내용을 참고하시고 전화문의하시기 바랍니다.
재고는 항시 보유 중이며, 전국 택배 발송 가능합니다.
유압시스템 제작 및 제품 선정 문의 상담
연락처: 일도유압이엔지 / 0507-1375-0704
E-mail문의: ildohyd@naver.com
아래 기술자료는 다운로드 가능합니다.

[NACHI VANE PUMP / 나찌 가변 베인 펌프 / 건드릴용 펌프]
나찌 베인펌프 VDC 시리즈는 주로 건드릴 설비에
부착되어 사용되는 모델입니다.
현재 문의하신 업체도 시화에 위치한 건드릴 회사에서
문의하셔서 출고하였고,
1A3 모델로 설치되어 있어서 스프링 교환하여
압력 범위에 맞게 출고 드렸습니다.

[NACHI VANE PUMP / 나찌 가변 베인 펌프 / 건드릴용 펌프]
VDC 모델은 FOOT TYPE 모델로
모터와 펌프의 수평을 잘 맞춰서 설치해야
소음도 적고 펌프의 수명을 오래 사용할 수 있습니다.
VDC-2A-1A3-20 모델은
압력 / 유량 조절이 가능한 모델입니다.
Made in Japan 일본 생산 모델입니다.

[NACHI VANE PUMP / 나찌 가변 베인 펌프 / 건드릴용 펌프]
VDC-2A 모델은 FOOT TYPE이며,
타메이커로 호환할 수 있는 모델이 없습니다.
Shaft size: 25.4Ø
흡입(IN): 1 1/4" O-ring
토출(OUT): 1" O-ring
VDC-2A-1A3 모델은 별도 가공된 블럭이 부착되어야 하며,
FOOT 아래 측에 흡입/토출구가 있습니다.
※ 조립하 실 때 오링이 벗어나지 않도록 유의 바람.

[NACHI VANE PUMP / 나찌 가변 베인 펌프 / 건드릴용 펌프]
유압시스템 제작 전문 / 유압 펌프 선정 상담 가능
VDC 모델 용량별 재고는 항시 보유 중입니다.
전국 택배 / 화물 발송 가능합니다.
(서울 창고 출고)





시화유공압, 시흥유공압, 경기도유공압, 서울유공압, 구로유공압, 영등포유공압
시화유압, 시흥유압, 경기도유압, 서울유압, 구로유압, 영등포유압
일도유압, 일도유압이엔지, 유압엔지니어링, 유압시스템, 유압상담
유압 브랜드 대리점
NACHI, 나찌, 대성나찌, NOP, TOP, 동산기공, 아륭펌프, 렉스로스, REXROTH, 유켄, YUKEN, 플로우포스, FLOWFORCE, 세원셀론텍, 세원이앤씨, HYDAC, 하이닥, EATON, 이튼비커스, DANFOSS, 댄포스, 건영기공, M+S, 엠플러스에스, 득인기공, BESKO, 다이킨, DAIKIN, 데니슨, DENISON, 도키맥, TOKIMEC, 케이시시정공, KCC, ROSE, 훌루테크, 가와사키, 하이드로텍, HYDROTEK
대성나찌펌프 / 나찌펌프 / 나찌기어펌프 / NACHI PUMP / 대성나찌펌프
VDS시리즈 / VDS 베인펌프 / 나찌 베인펌프
VDC-1B-1A2-20
VDC-1B-1A3-20
VDC-1B-1A4-20
VDC-1B-1A5-20
VDC-1B-2A2-20
VDC-1B-2A3-20
VDC-2B-1A2-20
VDC-2B-1A3-20
VDC-2B-1A4-20
VDC-2B-1A5-20
VDC-2B-2A2-20
VDC-2B-2A3-20
VDC-3B-1A2-20
VDC-3B-1A3-20
VDC-3B-1A4-20
VDC-3B-1A5-20
대성나찌펌프 / 나찌펌프 / 나찌기어펌프 / NACHI PUMP / 대성나찌펌프
VDS시리즈 / VDS 베인펌프 / 나찌 베인펌프
VDS-0A-1A1-10
VDS-0A-1A2-10
VDS-0A-1A3-10
VDS-0B-1A1-10
VDS-0B-1A2-10
VDS-0B-1A3-10

'유압펌프 > 나찌(NACHI)' 카테고리의 다른 글
| [VDC-1B-2A2-20 베인펌프] NACHI 고압 가변 베인펌프 - 정식 대리점 일도유압이엔지 (2) | 2025.07.27 |
|---|---|
| [NACHI 피스톤펌프] PVS-1B-16N2-12 가변형 유압 펌프 / 대성나찌 정품 공급 - 일도유압이엔지 (0) | 2025.02.15 |
| 나찌 가변베인펌프 VDC-2A-2A3-20 NACHI VANE PUMP 건드릴 전용 펌프 대성나찌대리점 VDC 시리즈 펌프 (2) | 2024.01.27 |
| 나찌 가변베인펌프 VDC-1B-2A3-20 NACHI VANE PUMP VDC 시리즈 유압펌프 가변베인펌프 대성나찌대리점 (4) | 2024.01.06 |
| 대성나찌 IPH-3B-16-20 나찌펌프 NACHI PUMP 나찌기어펌프 IPH시리즈 유압펌프 내접기어펌프 기어펌프 (2) | 2023.11.25 |